В статье дано описание разработанной в АО «ВПК «НПО машиностроения» конструкции системы отделения стартовой ступени летательного аппарата (ЛА) от маршевой ступени и ее функционирования в составе ЛА, а также приведены результаты прочностного расчета этой конструкции в российской CAE-системе APM WinMachine, функциональные модули которой использовались на разных стадиях проектирования. При наземных и летных испытаниях ЛА с разработанной системой отделения были подтверждены ее работоспособность и надежность.
Исходя из сегодняшних реалий, конкуренции на внутреннем и внешнем рынках, специалисты предприятий ОПК постоянно находятся в состоянии опережающего развития. При разработке новых видов ЛА или глубокой модернизации старых приходится находить, рассчитывать и воплощать в жизнь всё более нестандартные решения. На передовых позициях стоит и АО «ВПК «НПО машиностроения», занимающееся проектированием ЛА различных типов.
В данной статье рассматривается одна из актуальных разработок предприятия — система отделения стартовой ступени ЛА от маршевой ступени, отличающаяся оригинальностью и достигнутым технико-экономическим эффектом. Важно отметить, что параллельно с конструкторской разработкой системы проводились расчеты на прочность с применением отечественной CAE-системы APM WinMachine. Такой ответственный подход со стороны конструкторов позволил сократить общие сроки проектирования и избежать проблем, которые могли быть выявлены при производстве и испытаниях изделия.
В ходе проектирования системы отделения перед конструкторами стояли следующие задачи:
- выполнение жестких требований по плотности компоновки ЛА в целом;
- разработка системы отделения стартовой ступени от маршевой при наложенных ограничениях на свободный объем;
- обеспечение надежного отделения ступеней с целью уменьшения энергозатрат на стабилизацию полетных параметров маршевой ступени ЛА после отделения стартовой ступени.
При решении этих задач возникла следующая идея: для размещения системы отделения воспользоваться свободным объемом сопла стартового двигателя и вместо точечного (многоточечного) воздействия толкателя (толкателей) системы отделения на отделяемую ступень осуществить воздействие по замкнутому круговому периметру в габаритах стыковых шпангоутов стартовой и маршевой ступени, а сам толкатель расположить по оси ЛА в объеме сопла. При этом конструктивно обеспечить на всем движении по разделению ступеней перемещение вдоль оси ЛА без отклонения от нее. В этом случае не потребуются дополнительные энергозатраты на стабилизацию полетных параметров маршевой ступени ЛА.
В итоге разработанная система отделения ступеней ЛА включает в себя:
- устройство крепления, обеспечивающее соединение стартовой и маршевой ступени ЛА с помощью пироболтов, стягивающих стыковые шпангоуты стартовой и маршевой ступени ЛА. Пироболты срабатывают по команде от бортовой системы управления ЛА;
- толкатель, установленный на стартовой ступени ЛА и размещенный в свободном объеме сопла двигателя маршевой ступени. При этом толкатель состоит из корпуса толкателя, соединенного с ним крепежом стакана, внутри которого расположен с возможностью перемещения поршень, и конической оболочки, закрепленной передним фланцем на внешнем торце поршня и охватывающей снаружи стакан и корпус толкателя, а внутренняя полость толкателя, образованная корпусом толкателя, стаканом и поршнем, представляет собой герметичный объем;
- твердотопливный газогенератор, герметично установленный на корпусе толкателя с выходом во внутреннюю полость толкателя.

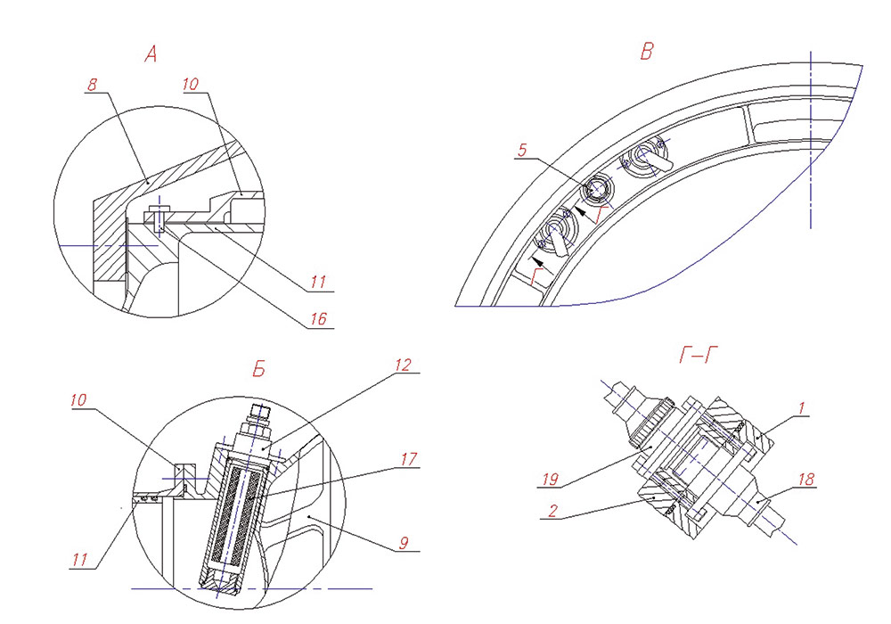
Рис. 1. Система отделения ступеней ЛА. Последовательность срабатывания

Рис. 2. Элементы системы отделения ЛА

Рис. 3. Коническая оболочка толкателя системы отделения ЛА
Система отделения ЛА представлена на рис.1-3, где:
- — маршевая ступень ЛА;
- — стартовая ступень ЛА;
- — стыковой шпангоут маршевой ступени ЛА;
- — стыковой шпангоут стартовой ступени ЛА;
- — пироболт;
- — посадочный пояс стыкового шпангоута маршевой ступени ЛА;
- — толкатель;
- — коническая оболочка толкателя;
- — корпус толкателя;
- — стакан;
- — поршень;
- — газогенератор;
- — заплечик поршня;
- — заплечик стакана;
- — торец посадочного пояса стыкового шпангоута маршевой ступени ЛА;
- — срезной элемент;
- — пороховая шашка газогенератора;
- — электроразъем бортовой кабельной сети (БКС);
- — ответный электроразъем БКС;
- — сопло двигателя маршевой ступени.
Система отделения ЛА работает следующим образом. Первоначально толкатель располагается внутри сопла двигателя маршевой ступени, при этом между торцом посадочного пояса стыкового шпангоута маршевой ступени ЛА и задним фланцем конической оболочки имеется зазор, необходимый для обеспечения тепловой развязки между элементами конструкции стартовой и маршевой ступени ЛА в ходе аэродинамического нагрева в полете (рис. 1, ситуация а).
По команде системы управления ЛА, передаваемой через бортовую кабельную сеть (БКС), происходит срабатывание газогенератора и создаваемое высокое давление газов редуцируется во внутренней полости толкателя, а при его дальнейшем нарастании происходит расфиксация поршня толкателя за счет среза срезных элементов, фиксирующих поршень толкателя относительно стакана, а вслед за этим — перемещение поршня вместе с конической оболочкой до упора заднего фланца конической оболочки в торец посадочного пояса шпангоута маршевой ступени ЛА (рис. 1, ситуация б). При этом в заднем фланце конической оболочки выполнен посадочный пояс для захода в ответное отверстие посадочного пояса стыкового шпангоута маршевой ступени. Следовательно, усилие от толкателя будет передаваться по всей площади (по замкнутому периметру) торца посадочного пояса шпангоута маршевой ступени — тем самым создавая условия для надежного перемещения стартовой ступени ЛА относительно маршевой ступени ЛА после срабатывания пироболтов.
Далее, по команде системы управления ЛА происходит срабатывание пироболтов устройства крепления. А поскольку конус системы отделения опирается на торец стыкового шпангоута маршевой ступени, обеспечивается безударное и плавное отделение стартовой ступени от маршевой ступени (рис. 1, ситуация в). При этом расталкивание ступеней под действием давления пороховых газов будет происходить до момента упора заплечика поршня в заплечик стакана.
При движении стыковой шпангоут стартовой ступени своим фланцем скользит по посадочному поясу маршевой ступени и отходит от нее, а далее посадочный пояс конической оболочки толкателя стартовой ступени выходит из ответного отверстия посадочного пояса стыкового шпангоута маршевой ступени и происходит полное отделение стартовой ступени от маршевой (рис. 1, ситуация г).
В ходе разделения ступеней ЛА обеспечивается расстыковка ответных частей электроразъемов БКС, в результате чего исчезает электрическая связь отработавшей стартовой ступени с маршевой ступенью.
В ходе проектирования конструкции системы отделения и ее расчета использовались источники [1-4].
В процессе работы над системой разделения одним из важных был этап прочностного анализа ее составляющих, который осуществлялся в CAE-системе APM WinMachine. При этом окончательные расчеты проводились с использованием модуля геометрического моделирования с инструментами конечно-элементного анализа — APM Studio. Геометрия конструкций толкателя и конуса системы отделения импортировалась из системы КОМПАС-3D в APM Studio. Подготовка моделей к расчету начиналась с задания материалов с необходимыми свойствами, контактов между деталями, закреплений и приложения нагрузок, действующих на исследуемые конструкции.
Далее в автоматизированном режиме на моделях были построены конечно-элементные сетки со следующими параметрами: тип КЭ — тетраэдры, тип сетки — адаптивная; минимальная длина стороны элемента — 1 мм; средняя длина стороны элемента — 2 мм. Полученные конечно-элементные модели толкателя и конуса системы отделения представлены на рис. 4 и 12 соответственно.

Рис. 4. Конечно-элементная модель толкателя
Для элементов конструкции толкателя в качестве материала была выбрана сталь. Максимальное эксплуатационное усилие, создаваемое толкателем, — 60 000 Н. Коэффициент динамичности нагрузки принимается равным 1,2, а коэффициент безопасности — 1,3. Общий вид расчетной модели толкателя в APM Studio приведен на рис. 5, а результаты проведенного расчета в различных положениях — на рис. 6-11.

Рис. 5. Расчетная модель толкателя в APM Studio

Рис. 6. Распределение эквивалентных напряжений в толкателе (начальное положение (рис. 1, ситуация б))

Рис. 7. Распределение перемещений в конструкции толкателя (начальное положение (рис. 1, ситуация б))

Рис. 8. Коэффициент запаса по пределу текучести конструкции толкателя (начальное положение
(рис. 1, ситуация б))

Рис. 9. Распределение эквивалентных напряжений в толкателе (конечное положение
(рис. 1, ситуация в))

Рис. 10 Распределение перемещений в конструкции толкателя (конечное положение (рис. 1, ситуация в))

Рис. 11. Коэффициент запаса по пределу текучести конструкции толкателя (конечное положение
(рис. 1, ситуация в))

Рис. 12. Конечно-элементная модель конуса системы отделения
Для элементов конструкции конуса системы отделения в качестве материала выбран алюминиевый сплав. Конус нагружен эксплуатационным усилием от толкателя. Результаты расчетов конуса системы отделения приведены на рис. 13-15 и 22. Кроме того, на рис. 16-21 приведены результаты расчетов следующих элементов конструкции конуса системы отделения: обшивка, шпангоут 1, шпангоут 2.

Рис. 13. Расчетная модель конуса системы отделения в APM Studio

Рис. 14. Распределение эквивалентных напряжений в конусе системы отделения

Рис. 15. Распределение перемещений в конструкции конуса системы отделения

Рис. 16. Распределение эквивалентных напряжений в обшивке
Хочется отметить простоту и удобство работы пользователя со сложными геометрическими моделями в APM Studio, что является важным фактором в процессе «исследовательских» расчетов, которые требуют многократного повторения до достижения приемлемого результата. Также к явным преимуществам можно отнести возможность вывода достаточно широкого перечня результатов расчета напряженно-деформированного состояния и развитый инструментарий исследования карт результатов (выноски, графики по пути, сечения). Всё это в целом позволяет качественно решать задачи, поставленные перед специалистами предприятий!

Рис. 17. Распределение эквивалентных напряжений в шпангоуте 1

Рис. 18. Распределение эквивалентных напряжений в шпангоуте 2

Рис. 19. Распределение перемещений в обшивке

Рис. 20. Распределение перемещений в шпангоуте 1

Рис. 21. Распределение перемещений в шпангоуте 2

Рис. 22. Коэффициент запаса по пределу текучести конструкции конуса системы отделения
Выводы
Работа, проведенная в конструкторском подразделении АО «ВПК «НПО машиностроения», продемонстрировала как высокую квалификацию самих исполнителей, так и готовность отечественного программного обеспечения к решению актуальных задач в рамках проектирования новых образцов ЛА. Разработанная в CAD-системе КОМПАС-3D и рассчитанная на прочность в CAE-системе APM WinMachine конструкция системы отделения ступеней ЛА успешно прошла все виртуальные и натурные испытания. Ее применение позволило:
- повысить плотность компоновки путем размещения устройства отделения ЛА в свободном объеме сопла двигателя маршевой ступени без контакта с соплом, а следовательно, без силового воздействия на сопло;
- повысить надежность конструкции системы отделения и ЛА в целом;
- уменьшить энергозатраты на стабилизацию полетных параметров маршевой ступени ЛА после отделения стартовой ступени.
АО «ВПК «НПО машиностроения» на данную конструкцию получены два патента на изобретения [5] и [6].
Список используемых источников:
- К.С. Колесников, В.В. Кокушкин, С.В. Борзых, Н.В. Панкова. Расчет и проектирование систем разделения ступеней ракет. М.: Издательство МГТУ имени Н.Э. Баумана, 2006.
- Лизин В.Т., Пяткин В.А. Проектирование тонкостенных конструкций. М.: Машиностроение, 2003.
- Шелофаст В.В. Основы проектирования машин. Издательство АПМ, 2005.
- Замрий А.А. Проектирование и расчет методом конечных элементов трехмерных конструкций в среде APM Structure 3D. М.: Издательство АПМ, 2006.
- Система отделения отсека летательного аппарата. Патент № 2651780 Российская Федерация, 2018, бюл. № 12.
- Система и способ отделения отсека летательного аппарата. Патент № 2762186 Российская Федерация, 2021, бюл. № 35.







