В России аббревиатура BIM впервые прозвучала в 2014 году, обозначив новую эру в проектном деле. Тогда, в отсутствие четких государственных ориентиров по выбору программного обеспечения, компания «Кайрос Инжиниринг» сделала ставку на комплексные решения Autodesk. Однако время диктует свои условия, и в 2022 году компания ПСС. Цифровые решения (ранее — ПСС Грайтек), наш консультант по программным продуктам, предложила нам посмотреть в сторону импортозамещения и отдать предпочтение отечественной разработке Model Studio CS. Внедрение инженерного программного обеспечения от российского разработчика АО «СиСофт Девелопмент» (входит в ГК «СиСофт») позволило нам поднять планку качества проектной документации на недосягаемую прежде высоту.
Отмечу, что 80% проектировщиков нашей компании мастерски владеют технологиями информационного моделирования (ТИМ). Начиная с 2019 года, 70% проектов «Кайрос Инжиниринг» были успешно реализованы с полным или частичным применением ТИМ. Нами создана уникальная база знаний для подготовки новых специалистов, а отдел технологий информационного моделирования непрерывно повышает квалификацию сотрудников и расширяет горизонты применения ТИМ в проектах. Мы не только сами уверенно пользуемся инновационными решениями, но и готовы оказывать всестороннюю консультационную поддержку специалистам службы заказчика по работе со сводными информационными моделями.
Одним из успешных примеров применения отечественных ТИМ-разработок в нашей компании стал проект модернизации оборудования металлургического предприятия в условиях действующего цеха. В основу задачи легли предоставленные заказчиком исходные данные, дополненные детальным инжинирингом, выполненным в зарубежном ПО, но с необходимостью осуществить проектирование с применением исключительно российских программных продуктов. Целью проекта было подготовить рабочую документацию высокого качества проработки с минимизацией коллизий при монтаже коммуникаций и систем и последующей интеграцией с ИТ-инфраструктурой заказчика.
Разработка конструктивных решений для фундамента роликовой печи
В качестве основных инструментов мы активно использовали модули Model Studio CS Cтроительные решения, Model Studio CS Кабельное хозяйство, а также CADLib Модель и Архив. Первым кейсом проекта стала разработка конструктивных решений для фундамента роликовой печи. При решении этой задачи нам потребовалось объединить архивные чертежи, модель заказчика, модель от поставщика оборудования и результаты обследований. В процессе строительных работ на площадке были выявлены неучтенные ранее конструкции, поэтому, чтобы обеспечить их учет при дальнейшей эксплуатации, мы разработали и передали заказчику соответствующие решения.
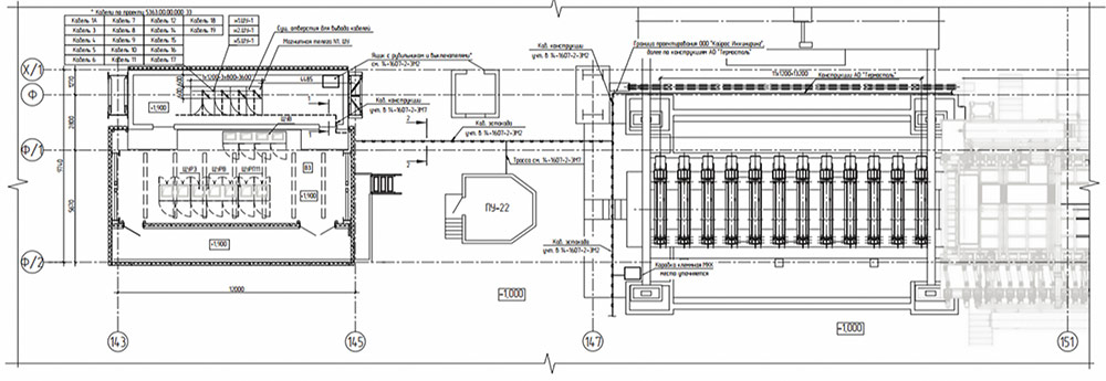
Проектирование здания пункта силового управления (ПСУ)
На следующем этапе — проектирование здания пункта силового управления (ПСУ) — мы занимались не только конструктивными, но и архитектурными решениями, а также проводили анализ отклонений, возникающих в ходе строительно-монтажных работ. Наша пространственная модель позволила разработчикам металлоконструкций (КМД) ускорить процесс создания проекта и его передачу на стройку, что способствовало быстрому запуску производства.

Модель фундамента роликовой печи от заказчика

Модель фундамента роликовой печи от завода — изготовителя оборудования

Разработка конструктивных решений для фундамента роликовой печи

Чертеж разработанного фундамента роликовой печи
Проектирование кабеленесущих систем и эстакады
При проектировании кабеленесущих систем и эстакады мы столкнулись с вариативностью прокладки сетей. Во избежание нарушений технологического процесса, для решения этой задачи были привлечены специалисты службы эксплуатации предприятия, которые с помощью видов от первого лица оценивали наши предложения и давали одобрение на дальнейшую работу.
Конструирование фундамента и усиление строительных конструкций с помощью облака точек
При конструировании фундамента и усиления строительных конструкций покрытия для монтажа мы дорабатывали существующие конструкции на основе результатов обследований, используя облако точек для точной координации с моделью.

Разработка конструктивных решений здания ПСУ

Увязка разработанной модели здания ПСУ с моделью от заказчика

Наполнение здания ПСУ строительными конструкциями

Чертеж архитектурного разреза здания ПСУ

Устройство кабеленесущих систем и проектирование эстакады, проложенной вдоль технологической линии

Конструирование фундамента и вспомогательных элементов магнитной телеги

Усиление строительных конструкций покрытия для последующего монтажа дымовых труб
Итоги
Хочу подчеркнуть, что отечественное программное обеспечение работает эффективно. Мы успешно реализовали кейсы реконструкции на действующем производстве, обеспечили слаженную работу всех участников проекта, стабильное взаимодействие с зарубежным ПО и высокую скорость исполнения с безупречным качеством рабочей документации. Применение Model Studio CS от ГК «СиСофт» сегодня позволяет нам закрыть весь необходимый объем производства.
На мой взгляд, пока рано говорить о значительном увеличении скорости проектирования: трудоемкость осталась примерно на том же уровне, что и в аналогичном зарубежном ПО, и сопоставима с трудозатратами при 2D-проектировании семилетней давности. Однако с каждым новым проектом, выполненным с использованием отечественных продуктов, мы постепенно, пусть и по 3—5%, но все же ускоряемся. Что же касается работы с атрибутивным наполнением, свойствами и бесшовной передачей информации в различные информационные системы заказчиков (к сожалению, до сих пор у каждого — свой софт, никто не использует одинаковые решения), то Model Studio CS успешно решает и эти задачи.
Опубликовано на ComNews.ru




