Проектирование сверху вниз относится к классике конструирования. Основа этого подхода — схема, в которой отрабатываются ключевые связи между компонентами и, конечно, размеры. Ошибки, обнаруженные на уровне схемы, устраняются, как правило, с наименьшими последствиями для конструкции в целом. А выявленные при этом закономерности технически вполне переносимы на «нижележащие» уровни узлов и деталей. По крайней мере, это касается КОМПАС-3D.
Прежде чем инженерная идея находит воплощение в дереве, металле или бетоне, а может быть, в одной из таких аббревиатур, как ABS, PLA, PETG, HIPS и иже с ними, она проходит большой путь. Существенная его часть даже в эпоху аддитивных технологий пролегает в голове конструктора, но нас интересуют его более осязаемые отрезки… наброски, эскизы, схемы. И конечно, то, как они реализуются в деталях (узлах и сборках).
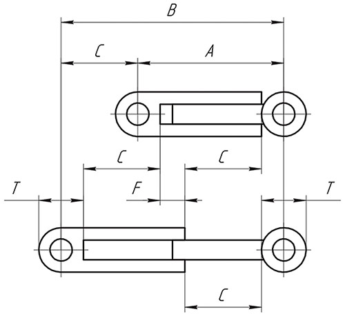
Главными «живительными силами» современной крупногабаритной машинерии остаются пневматика и гидравлика, а «мышцами» — пневмо и гидроцилиндры соответственно. Особенно это касается сферы строительства, где сила тускло поблескивающих в облаке пыли поршней вкупе с их эксплуатационной непритязательностью позволяет ворочать многотонные ковши, кузова и буры. Итак, на «салфетке» — принципиальная схема главного героя нашего рассказа, представляющего творческий союз цилиндра и поршня (рис. 1). Отбросив частности, выделим наиболее существенные геометрические размеры объекта: A — минимальная длина между проушинами; B — максимальная эксплуатационная длина; C — рабочий ход поршня. Для формирования конструктивного облика необходимо также учесть размеры проушин (T) и величину технологического пространства внутри цилиндра (F). Общая идея и соотношения, определяющие базовые размеры деталей, выявлены. Теперь дело за конкретными цифрами.
Создаем деталь в КОМПАС3D (рис. 2) [1]. Далее в панель переменных вносим основные ключевые параметры. При этом величины A и В будем рассчитывать по значениям С, T и F на основании принципиальной схемы (см. рис. 1). Схему изображаем в эскизе, слегка уточнив форму штока и выходного отверстия цилиндра. Размеры указываем с учетом переменныхпараметров.

Рис. 1

Рис. 2
Перенос принципиальной схемы в эскиз параметрической САПР позволяет не только оперативно вносить изменения в геометрические размеры отдельных объектов, но и контролировать взаимное расположение компонентов будущих узловсборок. В нашем случае, указывая расстояние между проушинами величиной параметра A или B, можно проверять соответствующие им граничные позиции штока в цилиндре (рис. 3).

Рис. 3
Когда эскиз отработан, имеет смысл перейти к объемному представлению элементов конструкции. Поскольку в принципиальной схеме заложена геометрия нескольких будущих деталей и их компонентов, будет целесообразным воспользоваться инструментарием КОМПАС3D для выделения отдельных контуров из компоновочного эскиза (рис. 4).

Рис. 4
Теперь каждый из получившихся контуров посредством базовых 3Dкоманд, таких как Выдавливание и Вращение, приобретает объем (рис. 5).

Рис. 5
Поскольку пока все операции носят компоновочный характер и выполняются в своеобразной деталипрототипе, то уточнять форму скруглениями, фасками и другими второстепенными элементами нет необходимости. Существенным является только структурное распределение объемных элементов по отдельным телам (рис. 6). Тела послужат основой для формирования деталей в контексте сборки. Основное средство структурирования тел — это набор настроек Результат в каждой объемной операции с вариантами Новое тело или булевым Объединением, Вычитанием, Пересечением (см. рис. 5).

Рис. 6
Полученная детальпрототип участвует в формировании «реальных» деталей проекта, загружаясь в них на правах Компоновочной геометрии (рис. 7).

Рис. 7
«Оставить» в соответствующей детали только необходимую геометрию из компоновки позволяет всё та же Булева операция (рис. 8). Например, в детали «Цилиндр» из добавленной компоновочной геометрии исключается тело, отвечающее за «Поршень» (шток). В получившейся детали уже имеет смысл выполнить проработку всех конструктивных элементов (например, крепежных отверстий, проточек под уплотнения, фасок, сопряжений).

Рис. 8
Наконец, создается модельсборка, в которую выполняется вставка отдельных деталей — «Цилиндра» и «Поршня». Одна из них (например, «Цилиндр») фиксируется в пространстве сборки, а другая («Поршень») «присоединяется» к базовой детали сборочными Сопряжениями, такими как Соосность и Совпадение (рис. 9).

Рис. 9
Существенной особенностью среды моделирования сборок в САПР является возможность имитации подвижности компонентовдеталей. В нашей сборке целесообразно представить ее в нескольких состояниях: минимального расстояния между проушинами цилиндра и поршня, максимальной величины этой дистанции и свободного положения, когда шток может свободно двигаться относительно цилиндра. Эти положения можно будет использовать при вставке узлацилиндра в сборку какойлибо, например строительной, машины. Система КОМПАС3D в дереве исполнений позволяет создавать необходимые Варианты сборки с учетом положения ее компонентов (рис. 10).

Рис. 10
Варианты позиционного представления будем формировать на основании Сопряжения типа На расстоянии, устанавливаемого между осями проушин (рис. 11). В качестве дистанции используем параметры A и B, являющиеся внешними переменными из деталипрототипа (см. рис. 2).

Рис. 11
Установим дистанцию между проушинами в значение A для варианта минимальной длины узла цилиндра (см. рис. 1). Для варианта, соответствующего максимальному рабочему ходу поршня, укажем в сопряжении На расстоянии величину B (рис. 12). В базовом варианте сопряжение между проушинами указывать не будем — это позволит свободно перемещать поршень относительно цилиндра.

Рис. 12
Теперь следует подумать о проверке модели узлацилиндра на более или менее реальной конструкции. Пусть это будет, например, двухрычажная сборка (рис. 15). Для проектирования колен этой конструкции имеет смысл обратиться к технологии, уже опробованной на узлецилиндре, — реализовать детальпрототип с эскизом, содержащим образмеренную кинематическую схему (рис. 13). Причем в эту детальсхему можно подключить в качестве Компоновочной геометрии прототип цилиндра (см. рис. 7). Тогда одним из замыкающих размеров, определяющих схему кинематики рычагов, будет служить расстояние между проушинами цилиндра и поршня — параметры A и B (см. рис. 1 и 2).

Рис. 13
Например, изменив величину замыкающего размера на переменную B, мы получим состояние кинематической схемы при максимальном ходе поршня (рис. 14). Следует обратить внимание на то, что рычажная схема при этом отрабатывается на уровне минимальной конкретизации геометрии. И только после окончательного уточнения размеров ее звеньев она «обшивается» объемными элементами и в качестве деталипрототипа «разделяется» на отдельные компоненты, аналогично узлу цилиндра (см. рис. 48).

Рис. 14
В окончательную сборку добавляются деталирычаги и узелцилиндр. Один из рычагов объявляется неподвижнымфиксированным, а соответствующие отверстияпроушины рычагов и узлацилиндра соединяются сопряжениями типа Соосность (рис. 15). Существенно то, что узелцилиндр может входить в сборку в любом из предусмотренных в нем позиционных вариантов (см. рис. 12 и 15). Причем для проверки кинематики модели по варианту со свободным положением штока для подсборки узлацилиндра следует сделать активной опцию Сделать подвижной.

Рис. 15
При выборе одного из позиционных вариантов подсборки цилиндра компоненты итоговой сборки занимают соответствующие крайние положения (рис. 16). Причем результаты, полученные в трехмерной модели сборки, были предусмотрены уже на этапах схематичной эскизной проработки (см. рис. 2, 3, 13 и 14).

Рис. 16
В завершение следует также обратить внимание на то, что рассмотренный процесс проектирования от схемы к трехмерной модели в современных САПР, таких как КОМПАС3D, полностью ассоциативен, то есть внесение изменений в размеры эскизных схем узлов на любом этапе разработки приводит к пересчету трехмерных моделей производных деталей [2].
Полезные ссылки:
- КОМПАС3D — Система трехмерного моделирования // https://ascon.ru/products/kompas3d/.
- Проект, рассмотренный в материале //https://disk.yandex.ru/d/gcpX26uEWt5fuw.




